Vare nr. 371997311
Metro bufferbeholder 110S til akkumulering ved varmepumpeanlæg
3.944,00kr. Den oprindelige pris var: 3.944,00kr..3.813,60kr.Den aktuelle pris er: 3.813,60kr.. inkl. moms
Væghængt model til varmepumpe
- Uden spiral
- Rør ned
- 10 Bar
-
Levering inden for 2-3 hverdage
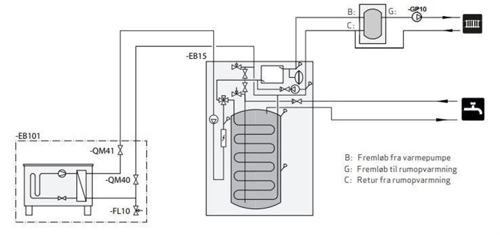
Beskrivelse
Metro model 110S bufferbeholder
Bufferbeholder model 110S er væghængt beholder til akkumulering af varmt eller koldt vand. Bufferbeholderen kan bruges på varmepumpeanlæg, hvor der er behov for større anlægsvolumen. METRO THERM-bufferbeholderen model 110S er specialfremstillede til varmepumpeanlæg. Beholderens inderside er uemaljeret, og der er ikke monteret magnesiumanode. Den må derfor KUN bruges til rumvarme, aldrig til brugsvand.
Specifikationer
Varenummer
371997311
Model
Uden spiral
Type
Akkutank

